
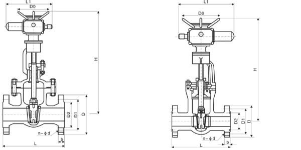
规格 主要尺寸和重量 Size Main Dimensions and Weight
| DN |
300Lb 凸面法兰(RF) 主要尺寸 Dimensions(mm) |
重量W(kg)Weight |
| mm |
in |
L |
D |
D1 |
n-φd |
电装型号Electric Actuator Code |
L1 |
D0 |
H |
| 50 |
2 |
216 |
165 |
127 |
8-19 |
DZW10A |
590 |
365 |
691 |
50 |
| 65 |
21/2 |
241 |
190 |
149.4 |
8-22 |
DZW10A |
590 |
365 |
711 |
72 |
| 80 |
3 |
283 |
210 |
168 |
8-22 |
DZW20A |
590 |
365 |
775 |
87 |
| 100 |
4 |
305 |
254 |
200 |
8-22 |
DZW20A |
590 |
365 |
871 |
108 |
| 150 |
6 |
403 |
318 |
270 |
12-22 |
DZW30A |
810 |
470 |
1028 |
183 |
| 200 |
8 |
419 |
381 |
330 |
12-25 |
DZW60A |
810 |
470 |
1325 |
283 |
| 250 |
10 |
457 |
444 |
387.5 |
16-29 |
DZW90 |
810 |
470 |
1400 |
430 |
| 300 |
12 |
502 |
521 |
451 |
16-32 |
DZW90 |
830 |
550 |
1653 |
721 |
| 350 |
14 |
762 |
584 |
514.5 |
20-32 |
DZW120 |
870 |
320 |
1791 |
1005 |
| 400 |
16 |
838 |
648 |
571.5 |
20-32 |
DZW180 |
870 |
320 |
2092 |
1200 |
| 500 |
20 |
991 |
775 |
686 |
24-35 |
DZW250 |
1170 |
570 |
2465 |
1600 |
| 600 |
24 |
1143 |
914 |
813 |
24-41 |
DZW500 |
1060 |
500 |
3240 |
2110 |
|