| DN |
150Lb(P R I) H41(H Y W F N) 凸面法兰(R F) |
重量Weight |
| mm |
in |
L |
D |
D1 |
D2 |
b |
n-φd |
H |
| 50 |
2 |
203 |
152 |
120.5 |
92 |
16 |
4-19 |
165 |
17 |
| 65 |
21/2 |
216 |
178 |
139.5 |
105 |
18 |
4-19 |
175 |
25 |
| 80 |
3 |
241 |
190 |
152.5 |
127 |
19 |
4-19 |
190 |
29 |
| 100 |
4 |
292 |
229 |
190.5 |
157 |
24 |
4-19 |
215 |
50 |
| 150 |
6 |
356 |
279 |
241.5 |
216 |
26 |
8-22 |
265 |
85 |
| 200 |
8 |
495 |
343 |
298.5 |
270 |
29 |
8-22 |
320 |
150 |
| 250 |
10 |
622 |
406 |
362 |
324 |
31 |
12-25 |
365 |
240 |
| 300 |
12 |
698 |
483 |
432 |
381 |
32 |
12-25 |
415 |
350 |
| 300Lb(P R I) H41(H Y W F N) 凸面法兰(R F) |
| 50 |
2 |
267 |
165 |
127.0 |
92 |
23 |
8-19 |
190 |
28 |
| 65 |
21/2 |
292 |
190 |
149.4 |
105 |
26 |
8-22 |
205 |
33 |
| 80 |
3 |
318 |
210 |
168.1 |
127 |
29 |
8-22 |
220 |
45 |
| 100 |
4 |
356 |
254 |
200.2 |
157 |
32 |
8-22 |
245 |
70 |
| 150 |
6 |
444 |
318 |
269.7 |
216 |
37 |
12-22 |
295 |
150 |
| 200 |
8 |
533 |
381 |
330.2 |
270 |
42 |
12-25 |
330 |
230 |
| 250 |
10 |
622 |
444 |
387.4 |
324 |
48 |
16-29 |
420 |
390 |
| 300 |
12 |
711 |
521 |
450.8 |
381 |
51 |
16-32 |
480 |
520 |
| 600Lb(P R I) H41(H Y W F N) 凸面法兰(R F) |
| 50 |
2 |
292 |
165 |
127 |
92 |
32.4 |
8-19 |
210 |
31 |
| 65 |
21/2 |
330 |
190 |
149 |
100 |
35.4 |
8-22 |
230 |
41 |
| 80 |
3 |
356 |
210 |
168 |
127 |
38.4 |
8-22 |
255 |
60 |
| 100 |
4 |
432 |
273 |
216 |
157 |
44.4 |
8-25 |
295 |
108 |
| 150 |
6 |
559 |
356 |
292 |
216 |
54.4 |
12-29 |
365 |
210 |
| 200 |
8 |
660 |
419 |
349 |
270 |
62.4 |
12-32 |
420 |
390 |
| 250 |
10 |
787 |
508 |
432 |
324 |
70.4 |
16-35 |
505 |
625 |
| 300 |
12 |
838 |
559 |
489 |
381 |
73.4 |
20-35 |
545 |
865 |
| 900Lb(P R I) H41(H Y W) 环槽法兰(R T J) |
| 50 |
2 |
371.2 |
216 |
165.1 |
95.2 |
46 |
8-25 |
235 |
120 |
| 65 |
21/2 |
422.2 |
244 |
190.5 |
108.0 |
49 |
8-29 |
270 |
165 |
| 80 |
3 |
384.2 |
241 |
190.5 |
123.8 |
46 |
8-25 |
300 |
175 |
| 100 |
4 |
460.2 |
292 |
234.9 |
149.2 |
52 |
8-32 |
340 |
180 |
| 150 |
6 |
613.2 |
381 |
317.5 |
211.1 |
59 |
8-32 |
425 |
400 |
|
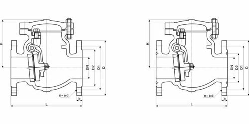
规格 主要尺寸和重量 Size Main Dimensions and Weight (mm kg)
旋启式 Swing Type |
| DN |
150Lb(P R I) H44(H Y W F N) 凸面法兰(R F) |
重量Weight |
| mm |
in |
L |
D |
D1 |
D2 |
b |
n-φd |
H |
| 50 |
2 |
203 |
152 |
120.5 |
92 |
16 |
4-19 |
165 |
17 |
| 65 |
21/2 |
216 |
178 |
139.5 |
105 |
18 |
4-19 |
175 |
25 |
| 80 |
3 |
241 |
190 |
152.5 |
127 |
19 |
4-19 |
190 |
29 |
| 100 |
4 |
292 |
229 |
190.5 |
157 |
24 |
4-19 |
215 |
50 |
| 150 |
6 |
356 |
279 |
241.5 |
216 |
26 |
8-22 |
265 |
85 |
| 200 |
8 |
495 |
343 |
298.5 |
270 |
29 |
8-22 |
320 |
150 |
| 250 |
10 |
622 |
406 |
362 |
324 |
31 |
12-25 |
365 |
240 |
| 300 |
12 |
698 |
483 |
432 |
381 |
32 |
12-25 |
415 |
350 |
| 350 |
14 |
787 |
533 |
476 |
413 |
35 |
12-29 |
460 |
460 |
| 400 |
16 |
864 |
597 |
540 |
470 |
37 |
16-29 |
495 |
580 |
| 450 |
18 |
978 |
635 |
578 |
533 |
40 |
16-32 |
550 |
690 |
| 500 |
20 |
978 |
699 |
635 |
584 |
43 |
20-32 |
595 |
810 |
| 600 |
24 |
1295 |
813 |
794.5 |
692 |
48 |
20-35 |
650 |
1140 |
| 300Lb(P R I) H44(H Y W F N) 凸面法兰(R F) |
| 50 |
2 |
267 |
165 |
127 |
92 |
23 |
8-19 |
190 |
28 |
| 65 |
21/2 |
292 |
190 |
149 |
105 |
26 |
8-22 |
205 |
33 |
| 80 |
3 |
318 |
210 |
168.5 |
127 |
29 |
8-22 |
220 |
45 |
| 100 |
4 |
356 |
254 |
200 |
157 |
32 |
8-22 |
245 |
70 |
| 150 |
6 |
444 |
318 |
270 |
261 |
37 |
12-22 |
295 |
150 |
| 200 |
8 |
533 |
381 |
330 |
270 |
42 |
12-25 |
330 |
230 |
| 250 |
10 |
622 |
445 |
387.5 |
324 |
48 |
16-29 |
420 |
390 |
| 300 |
12 |
711 |
521 |
451 |
381 |
51 |
16-32 |
480 |
520 |
| 350 |
14 |
838 |
584 |
514.5 |
413 |
54 |
20-32 |
535 |
710 |
| 400 |
16 |
864 |
648 |
571.5 |
470 |
58 |
20-32 |
585 |
890 |
| 450 |
18 |
978 |
711 |
628.6 |
533 |
61 |
24-35 |
615 |
1000 |
| 500 |
20 |
1016 |
775 |
686 |
584 |
64 |
24-35 |
685 |
1360 |
| 600Lb(P R I) H44(H Y W F N) 凸面法兰(R F) |
| 50 |
2 |
292 |
165 |
127 |
92 |
32.4 |
8-19 |
210 |
32 |
| 65 |
21/2 |
330 |
190 |
149 |
100 |
35.4 |
8-22 |
230 |
42 |
| 80 |
3 |
356 |
210 |
168 |
127 |
38.4 |
8-22 |
255 |
60 |
| 100 |
4 |
432 |
273 |
216 |
157 |
44.4 |
8-22 |
295 |
110 |
| 150 |
6 |
559 |
356 |
292 |
216 |
54.4 |
12-29 |
365 |
220 |
| 200 |
8 |
660 |
419 |
349 |
270 |
62.4 |
12-32 |
420 |
390 |
| 250 |
10 |
787 |
508 |
432 |
324 |
70.4 |
16-35 |
505 |
630 |
| 300 |
12 |
838 |
559 |
489 |
381 |
73.4 |
20-35 |
545 |
870 |
| 350 |
14 |
889 |
603 |
527 |
413 |
76.4 |
20-38 |
600 |
940 |
| 400 |
16 |
991 |
686 |
603 |
470 |
83.4 |
20-41 |
650 |
1100 |
| 450 |
18 |
1090 |
743 |
654 |
533 |
89.4 |
20-44 |
735 |
1300 |
| 900Lb(P R I) H44(H Y W) 环槽法兰(R T J) |
| 50 |
2 |
371.2 |
216 |
165.1 |
95.2 |
46 |
8-25 |
300 |
115 |
| 65 |
21/2 |
384.2 |
244 |
190.5 |
108 |
49 |
8-29 |
335 |
120 |
| 80 |
3 |
422.2 |
241 |
190.5 |
123.8 |
46 |
8-28 |
340 |
165 |
| 100 |
4 |
460.2 |
292 |
234.9 |
149.2 |
52 |
8-32 |
370 |
180 |
| 150 |
6 |
613.2 |
381 |
317.5 |
211.1 |
59 |
12-32 |
425 |
400 |
| 200 |
8 |
740.2 |
470 |
393.7 |
269.8 |
64 |
12-38 |
490 |
590 |
| 250 |
10 |
841.2 |
545 |
469.9 |
323.8 |
72 |
16-38 |
585 |
1020 |
| 300 |
12 |
968.2 |
610 |
533.4 |
381 |
78 |
20-38 |
655 |
1550 |
| 350 |
14 |
1038.2 |
640 |
559 |
419.1 |
87 |
20-41 |
710 |
2000 |
| 400 |
16 |
1139.2 |
705 |
616 |
469.9 |
90 |
20-45 |
765 |
2500 |