
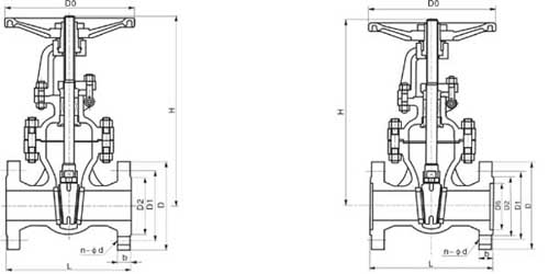
规格 主要尺寸和重量 Size Main Dimensions and Weight
| 1.6MPa |
DN |
L |
D |
D1 |
D2 |
b |
n-φd |
H |
D0 |
重量Weight |
凸面法兰 RF
Z40H Z40Y Z40W Z40F Z40N
Z41H Z41Y Z41W Z41F Z41N
16C 16P 16R 16I |
15 |
130 |
95 |
65 |
45 |
14 |
4-14 |
170 |
120 |
5 |
| 20 |
150 |
105 |
75 |
55 |
14 |
4-14 |
190 |
140 |
6.5 |
| 25 |
160 |
115 |
85 |
65 |
14 |
4-14 |
205 |
160 |
9 |
| 32 |
180 |
135 |
100 |
78 |
16 |
4-18 |
270 |
180 |
12 |
| 40 |
200 |
145 |
110 |
85 |
16 |
4-18 |
310 |
200 |
26.5 |
| 50 |
250 |
160 |
125 |
100 |
16 |
4-18 |
358 |
240 |
29 |
| 65 |
260 |
180 |
145 |
120 |
18 |
4-18 |
373 |
240 |
33 |
| 80 |
280 |
195 |
160 |
135 |
20 |
8-18 |
435 |
280 |
45 |
| 100 |
300 |
215 |
180 |
155 |
20 |
8-18 |
500 |
300 |
63 |
| 125 |
325 |
245 |
210 |
185 |
22 |
8-18 |
614 |
320 |
108 |
| 150 |
350 |
280 |
240 |
210 |
24 |
8-23 |
674 |
360 |
134 |
| 200 |
400 |
335 |
295 |
265 |
26 |
12-23 |
818 |
400 |
192 |
| 250 |
450 |
405 |
355 |
320 |
30 |
12-25 |
969 |
450 |
273 |
| 300 |
500 |
460 |
410 |
375 |
30 |
12-25 |
1145 |
560 |
379 |
| 350 |
550 |
520 |
470 |
435 |
34 |
16-25 |
1280 |
640 |
590 |
| 400 |
600 |
580 |
525 |
485 |
36 |
16-30 |
1452 |
640 |
850 |
| 450 |
650 |
640 |
585 |
545 |
40 |
20-30 |
1541 |
720 |
907 |
| 500 |
700 |
705 |
650 |
608 |
44 |
20-34 |
1676 |
720 |
985 |
| 600 |
800 |
840 |
770 |
718 |
48 |
20-41 |
1874 |
800 |
1112 |
|