
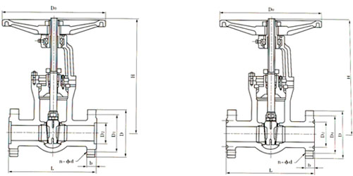
规格 主要尺寸和重量 Size Main Dimensions and Weight
| 2.5MPa |
DN |
L |
D |
D1 |
D2 |
b |
n-φd |
H |
D0 |
重量 Weight |
凸面法兰
RF
J41H J41Y J41W J41F J41N
25 25P 25R 25I |
10 |
130 |
90 |
60 |
40 |
16 |
4-14 |
198 |
120 |
4.9 |
| 15 |
130 |
95 |
65 |
45 |
16 |
4-14 |
218 |
120 |
5.3 |
| 20 |
150 |
105 |
75 |
55 |
16 |
4-14 |
258 |
140 |
7.0 |
| 25 |
160 |
115 |
85 |
65 |
16 |
4-14 |
275 |
160 |
7.4 |
| 32 |
180 |
135 |
100 |
78 |
18 |
4-18 |
280 |
180 |
8.3 |
| 40 |
200 |
145 |
110 |
85 |
18 |
4-18 |
330 |
200 |
12.6 |
| 50 |
230 |
160 |
125 |
100 |
20 |
4-18 |
350 |
240 |
16 |
| 65 |
290 |
180 |
145 |
120 |
22 |
8-18 |
400 |
280 |
25 |
| 80 |
310 |
195 |
160 |
135 |
22 |
8-18 |
355 |
280 |
30 |
| 100 |
350 |
230 |
190 |
160 |
24 |
8-23 |
415 |
320 |
34.8 |
| 125 |
400 |
270 |
220 |
188 |
28 |
8-25 |
460 |
360 |
89.5 |
| 150 |
480 |
300 |
250 |
218 |
30 |
8-25 |
510 |
400 |
99 |
| 200 |
600 |
360 |
310 |
278 |
34 |
12-25 |
710 |
400 |
181 |
| 250 |
622 |
425 |
370 |
332 |
36 |
12-30 |
786 |
450 |
445 |
| 300 |
698 |
485 |
430 |
390 |
40 |
16-30 |
925 |
500 |
651 |
| 4.0MPa |
20 |
150 |
105 |
75 |
51 |
16 |
4-14 |
275 |
140 |
7 |
凹凸法兰 MFM
J41H J41Y J41W J41F J41N
40 40P 40R 40I |
| 25 |
160 |
115 |
85 |
58 |
16 |
4-14 |
285 |
160 |
9 |
| 32 |
180 |
135 |
100 |
66 |
18 |
4-18 |
302 |
180 |
12 |
| 40 |
200 |
1445 |
110 |
76 |
18 |
4-18 |
355 |
200 |
17 |
| 50 |
230 |
160 |
125 |
88 |
20 |
4-18 |
373 |
240 |
24 |
| 65 |
290 |
180 |
145 |
110 |
22 |
8-18 |
408 |
280 |
33 |
| 80 |
310 |
195 |
160 |
121 |
22 |
8-18 |
436 |
320 |
44 |
| 100 |
350 |
230 |
190 |
150 |
24 |
8-23 |
480 |
360 |
60 |
| 125 |
400 |
270 |
220 |
176 |
28 |
8-25 |
588 |
400 |
90 |
| 150 |
480 |
300 |
250 |
204 |
30 |
8-25 |
611 |
400 |
100 |
| 200 |
533 |
375 |
320 |
260 |
38 |
12-30 |
720 |
400 |
190 |
| 6.4MPa |
20 |
190 |
125 |
90 |
51 |
20 |
4-18 |
228 |
160 |
13 |
凹凸法兰 MFM
J41H J41Y J41W J41F J41N
64 64P 64R 64I |
| 25 |
210 |
135 |
100 |
58 |
22 |
4-18 |
275 |
180 |
15 |
| 32 |
230 |
150 |
110 |
66 |
24 |
4-23 |
325 |
200 |
19 |
| 40 |
260 |
165 |
125 |
76 |
24 |
4-23 |
360 |
240 |
25 |
| 50 |
300 |
175 |
135 |
88 |
26 |
4-23 |
410 |
280 |
35 |
| 65 |
340 |
200 |
160 |
110 |
28 |
8-23 |
450 |
320 |
48 |
| 80 |
380 |
210 |
170 |
121 |
30 |
8-23 |
485 |
360 |
56 |
| 100 |
430 |
250 |
200 |
150 |
32 |
8-25 |
537 |
400 |
125 |
| 125 |
500 |
295 |
240 |
176 |
36 |
8-30 |
631 |
400 |
130 |
| 150 |
550 |
340 |
280 |
204 |
38 |
8-34 |
646 |
450 |
160 |
| 200 |
650 |
405 |
345 |
260 |
44 |
12-34 |
813 |
500 |
285 |
| 10.0MPa |
10 |
170 |
100 |
70 |
35 |
20 |
4-14 |
198 |
120 |
6 |
凹凸法兰 MFM
J41H J41Y J41W
100 100P 100R 100I |
15 |
170 |
105 |
75 |
40 |
20 |
4-14 |
202 |
140 |
11 |
| 20 |
190 |
125 |
90 |
51 |
22 |
4-18 |
228 |
160 |
13 |
| 25 |
210 |
135 |
100 |
58 |
24 |
4-18 |
250 |
180 |
14 |
| 32 |
230 |
150 |
110 |
66 |
24 |
4-23 |
326 |
220 |
16 |
| 40 |
260 |
165 |
125 |
76 |
26 |
4-23 |
359 |
240 |
30 |
| 50 |
300 |
195 |
145 |
88 |
28 |
4-25 |
414 |
280 |
50 |
| 65 |
340 |
220 |
170 |
110 |
32 |
8-25 |
434 |
320 |
65 |
| 80 |
380 |
230 |
180 |
121 |
34 |
8-25 |
547 |
400 |
100 |
| 100 |
430 |
265 |
210 |
150 |
38 |
8-30 |
621 |
400 |
116 |
| 125 |
500 |
310 |
250 |
176 |
42 |
8-34 |
732 |
450 |
150 |
| 150 |
550 |
350 |
290 |
204 |
46 |
12-34 |
840 |
500 |
300 |
| 200 |
650 |
430 |
360 |
260 |
54 |
12-41 |
925 |
550 |
600 |
| 16.0MPa |
15 |
170 |
110 |
75 |
40 |
24 |
4-18 |
148 |
140 |
12 |
环槽法兰 RTJ J41H J41Y J41W
160 160P 160R 160I |
20 |
190 |
130 |
90 |
51 |
26 |
4-23 |
156 |
160 |
15 |
| 25 |
210 |
140 |
100 |
58 |
28 |
4-23 |
175 |
180 |
17 |
| 32 |
230 |
165 |
115 |
66 |
30 |
4-25 |
200 |
200 |
21 |
| 40 |
260 |
175 |
125 |
76 |
32 |
4-27 |
231 |
240 |
31 |
| 50 |
300 |
215 |
165 |
88 |
36 |
8-25 |
262 |
250 |
53 |
| 65 |
340 |
245 |
190 |
110 |
44 |
8-30 |
303 |
320 |
70 |
| 80 |
380 |
260 |
205 |
121 |
46 |
8-30 |
341 |
400 |
100 |
| 100 |
430 |
300 |
240 |
150 |
48 |
8-34 |
485 |
450 |
120 |
|