
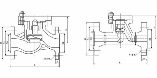
规格 主要尺寸和重量 Size Main Dimensions and Weight (mm kg)
| 1.6MPa |
DN |
L |
D |
D1 |
D2 |
b |
n-φd |
H |
重量 Weight |
凸面法兰 RF
H41H H41Y H41W H41N
16C 16P 16R |
15 |
130 |
95 |
65 |
45 |
14 |
4-14 |
58 |
2.0 |
| 20 |
150 |
105 |
75 |
55 |
14 |
4-14 |
63 |
2.7 |
| 25 |
160 |
115 |
85 |
65 |
14 |
4-14 |
71 |
3.5 |
| 32 |
180 |
135 |
100 |
78 |
16 |
4-18 |
84 |
5.4 |
| 40 |
200 |
145 |
110 |
85 |
16 |
4-18 |
96 |
6.5 |
| 50 |
230 |
160 |
125 |
100 |
16 |
4-18 |
115 |
9.1 |
| 65 |
290 |
180 |
145 |
120 |
18 |
4-18 |
145 |
14 |
| 80 |
310 |
195 |
160 |
135 |
20 |
8-18 |
156 |
25 |
| 100 |
350 |
215 |
180 |
155 |
20 |
8-18 |
170 |
40 |
| 125 |
400 |
245 |
210 |
185 |
22 |
8-18 |
201 |
56 |
| 150 |
480 |
280 |
240 |
210 |
24 |
8-23 |
238 |
90 |
| 2.5MPa |
15 |
130 |
95 |
65 |
45 |
16 |
4-14 |
60 |
4 |
凸面法兰 RF
H41H H41Y H41W H41N
25 25P 25R |
20 |
150 |
105 |
75 |
55 |
16 |
4-14 |
64 |
5 |
| 25 |
160 |
115 |
85 |
65 |
16 |
4-14 |
68 |
6 |
| 32 |
180 |
135 |
100 |
78 |
18 |
4-18 |
79 |
9 |
| 40 |
200 |
145 |
110 |
85 |
18 |
4-18 |
98 |
12 |
| 50 |
230 |
160 |
125 |
100 |
20 |
4-18 |
110 |
16 |
| 65 |
290 |
180 |
145 |
120 |
22 |
8-18 |
160 |
24 |
| 80 |
310 |
195 |
160 |
135 |
22 |
8-18 |
170 |
31 |
| 100 |
350 |
230 |
190 |
160 |
24 |
8-23 |
195 |
45 |
| 125 |
400 |
270 |
220 |
188 |
28 |
8-25 |
225 |
68 |
| 150 |
480 |
300 |
250 |
218 |
30 |
8-25 |
225 |
100 |
| 4.0MPa |
15 |
130 |
95 |
65 |
40 |
16 |
4-14 |
100 |
4 |
凹凸法兰 MFM
H41H H41Y H41W H41N
40 40P 40R 40I |
20 |
150 |
105 |
75 |
51 |
16 |
4-14 |
105 |
5 |
| 25 |
160 |
115 |
85 |
58 |
16 |
4-14 |
120 |
6 |
| 32 |
180 |
135 |
100 |
66 |
18 |
4-18 |
130 |
9 |
| 40 |
200 |
145 |
110 |
76 |
18 |
4-18 |
135 |
12 |
| 50 |
230 |
160 |
125 |
88 |
20 |
4-18 |
149 |
15 |
| 65 |
290 |
180 |
145 |
110 |
22 |
8-18 |
164 |
18 |
| 80 |
310 |
195 |
160 |
121 |
22 |
8-18 |
169 |
25 |
| 100 |
350 |
230 |
190 |
150 |
24 |
8-23 |
194 |
35 |
| 125 |
400 |
270 |
220 |
176 |
28 |
8-25 |
225 |
65 |
| 150 |
480 |
300 |
250 |
204 |
30 |
8-25 |
255 |
100 |
| 6.4MPa |
15 |
210 |
105 |
75 |
40 |
18 |
4-14 |
100 |
7 |
凹凸法兰 MFM
H41H H41Y H41W H41N
64 64P 64R 64I |
20 |
230 |
125 |
90 |
51 |
20 |
4-18 |
110 |
11 |
| 25 |
230 |
135 |
100 |
58 |
22 |
4-18 |
125 |
13 |
| 32 |
260 |
150 |
110 |
66 |
24 |
4-23 |
152 |
14 |
| 40 |
260 |
165 |
125 |
76 |
24 |
4-23 |
168 |
20 |
| 50 |
300 |
175 |
135 |
88 |
26 |
4-23 |
170 |
23 |
| 65 |
340 |
200 |
160 |
110 |
28 |
8-23 |
188 |
27 |
| 80 |
380 |
210 |
170 |
121 |
30 |
8-23 |
205 |
46 |
| 100 |
430 |
250 |
200 |
150 |
32 |
8-25 |
230 |
68 |
| 125 |
500 |
295 |
240 |
176 |
36 |
8-30 |
245 |
93 |
| 150 |
550 |
340 |
280 |
204 |
38 |
8-34 |
265 |
120 |
| 10.0MPa |
15 |
210 |
105 |
75 |
40 |
20 |
4-14 |
100 |
7 |
凹凸法兰 MFM
H41H H41Y H41W
100 100P 100R 100I |
20 |
230 |
125 |
90 |
51 |
22 |
4-18 |
110 |
11 |
| 25 |
230 |
135 |
100 |
58 |
24 |
4-18 |
125 |
13 |
| 32 |
260 |
150 |
120 |
66 |
24 |
4-23 |
140 |
14 |
| 40 |
260 |
165 |
125 |
76 |
26 |
4-23 |
168 |
25 |
| 50 |
300 |
195 |
145 |
88 |
28 |
4-25 |
170 |
28 |
| 65 |
340 |
220 |
170 |
110 |
32 |
8-25 |
188 |
42 |
| 80 |
380 |
230 |
180 |
121 |
34 |
8-25 |
205 |
65 |
| 100 |
430 |
265 |
210 |
150 |
38 |
8-30 |
230 |
95 |
| 125 |
500 |
310 |
250 |
176 |
42 |
8-34 |
245 |
115 |
| 150 |
550 |
350 |
290 |
204 |
46 |
12-34 |
265 |
142 |
|