
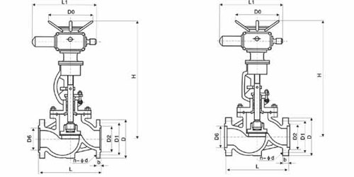
电装型号 规格 主要尺寸和重量
Electric Actuator Code Size Main Dimensions and Weight
| 10.0MPa |
DN |
L |
D |
D1 |
b |
n-φd |
电装型号Electric Actuator Code |
L1 |
H |
D0 |
重量Weight |
凹凸法兰 MFM J941H J941Y J941W
100 100P 100R 100I |
50 |
300 |
195 |
145 |
28 |
4-25 |
DZW20 |
590 |
714 |
365 |
82 |
| 65 |
340 |
220 |
170 |
32 |
8-25 |
DZW30 |
590 |
734 |
365 |
101 |
| 80 |
380 |
230 |
180 |
34 |
8-25 |
DZW45 |
810 |
847 |
470 |
171 |
| 100 |
430 |
265 |
210 |
38 |
8-30 |
DZW60 |
810 |
950 |
470 |
198 |
| 125 |
500 |
310 |
250 |
42 |
8-34 |
DZW90 |
830 |
1142 |
550 |
285 |
| 150 |
550 |
350 |
290 |
46 |
12-34 |
DZW120 |
830 |
1240 |
550 |
449 |
| 200 |
650 |
430 |
360 |
54 |
12-41 |
DZW180 |
870 |
1425 |
320 |
850 |
| 16.0MPa |
50 |
300 |
215 |
165 |
36 |
8-28 |
DZW30 |
590 |
562 |
365 |
91 |
环槽法兰 RTJ J941Y J941W
160 160P 160R 160I |
65 |
340 |
245 |
190 |
44 |
8-30 |
DZW45 |
810 |
743 |
470 |
166 |
| 80 |
380 |
260 |
205 |
46 |
8-30 |
DZW90 |
830 |
820 |
550 |
215 |
| 100 |
430 |
300 |
240 |
48 |
8-34 |
DZW120 |
830 |
935 |
550 |
240 |
| 125 |
500 |
355 |
285 |
60 |
8-41 |
DZW180 |
870 |
1180 |
320 |
500 |
| 150 |
550 |
390 |
318 |
66 |
12-41 |
DZW250 |
870 |
1290 |
320 |
670 |
|